产品列表
无锡市金城电站阀门厂
地址:无锡市滨湖区胡埭冬青路8号
销售部:0510-85181288
电话:0510-85181288 82602588
传真:0510-85180005 85185222
Email: sales@wxdzfm.com
网址:www.wxdzfm.com
| 圆风门 |
|
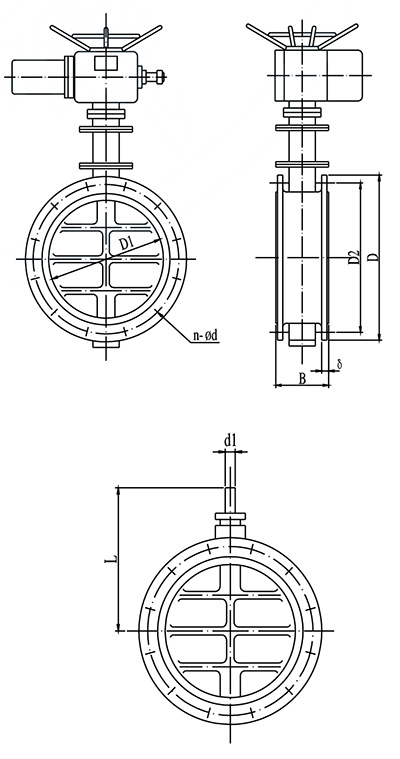
圆风门主要适用于火力发电厂等锅炉热风、粉煤灰及其它粉状干物料的输送系统上。风门本身不带任何传动装置,用户可按需要选配。使用介质温度一般S400°C,如有特殊要求,可更换材料材质满足使用要求。圆风门传动装置的力矩分8Kg.m和30Kg.m两种,手动圆风门出轴分别为17X17和32X32,与手动装置配套。电、气动风门与电、气动装置配套。电动圆风门配套JQ部分回转电动头,另以连接座使风门本体与电动装置连接。
|
型号
|
通径DN
|
D1
|
D2
|
D
|
B
|
n-Φd
|
L
|
d1
|
|
DD4101
|
100
|
100
|
160
|
195
|
80
|
4-Φ14
|
177
|
Φ15
|
|
DD4102
|
150
|
150
|
215
|
250
|
8-Φ14
|
238
|
|
DD4103
|
200
|
200
|
270
|
305
|
270
|
17x17
|
|
DD4104
|
250
|
260
|
330
|
365
|
90
|
12-Φ14
|
300
|
|
DD4105
|
300
|
310
|
385
|
430
|
180
|
342
|
|
DD4106
|
350
|
360
|
435
|
480
|
367
|
|
DD4107
|
400
|
410
|
490
|
535
|
12-Φ18
|
392
|
|
DD4108
|
450
|
460
|
540
|
585
|
417
|
|
DD4109
|
500
|
520
|
600
|
645
|
447
|
|
DD4110
|
600
|
620
|
700
|
745
|
16-Φ18
|
497
|
|
DD4111
|
700
|
710
|
800
|
850
|
260
|
570
|
32x32
|
|
DD4112
|
800
|
810
|
900
|
950
|
20-Φ18
|
620
|
|
DD4113
|
900
|
910
|
1000
|
1050
|
670
|
|
DD4114
|
1000
|
1010
|
1100
|
1150
|
20-Φ22
|
720
|
|
DD4115
|
1100
|
1110
|
1200
|
1250
|
300
|
790
|
|
DD4116
|
1200
|
1210
|
1300
|
1350
|
840
|
|
DD4117
|
1300
|
1310
|
1400
|
1450
|
24-Φ22
|
890
|
|
DD4118
|
1400
|
1410
|
1500
|
1550
|
28-Φ22
|
940
|
|
|
|
上一页:DQ371(671、971)JE-16YA型对夹式蝶阀
|
 |